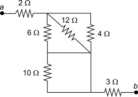
what is the equivalent resistance of the circuit in figure 1
what is the equivalent resistance of the circuit in figure 1. There are some references to what is the equivalent resistance of the circuit in figure 1 in this article. If you are looking for what is the equivalent resistance of the circuit in figure 1 you've came to the right place. We have posts about what is the equivalent resistance of the circuit in figure 1. You can check it out below.
Showing posts matching the search for what is the equivalent resistance of the circuit in figure 1Blog Archive
-
▼
2023
(117)
-
▼
May
(36)
- What Is Conviction Law
- Mlb Opening Day Matchups
- Mlb Opening Day 2023 Video
- Mlb Opening Day Video
- Nashville Shooting Harding Place
- The Connection Between Patriots' Day And Marathon ...
- Holy Saturday: The Meaning Behind The Day Before E...
- Nashville Waffle House Shooting Hero
- Mlb Opening Day National Tv Schedule
- Mlb Opening Day Countdown Clock
- Icons And Symbols Of Orthodox Easter: Exploring Th...
- Mlb Opening Day By Year
- Mlb Opening Day Lineups Sporcle
- Mlb Opening Day Games
- Stormy Daniels Hush Money Wiki
- Mlb Opening Day Matchups
- Celebrating Emancipation Day At Home: Ideas For Fa...
- Mlb Opening Day Stats
- What Is Your Investigation Question
- What Is Investigation In Research
- Orthodox Easter Around The World: How Different Cu...
- Mlb Opening Day Lineups
- What Is Ysl Indictment
- Nashville Shooting Police Woman
- The Music Of Good Friday: A Look At Hymns And Chor...
- Easter Monday And The Environment: How Some Celebr...
- What Is Sealed Indictment
- What Is Your Conviction In Life
- 2023 Mlb Opening Day Lineups
- Days Until Mlb Opening Day
- What Is Getting Indicted
- What Is Indicted Definition
- Long Range Shooting Nashville Tn
- Lawyer For Stormy Daniels
- Nashville Shooting Road Rage
- Opening Day Of Mlb Baseball
-
▼
May
(36)
Total Pageviews
Search This Blog
Powered by Blogger.
